Ford V10 Fuel Pump Relay . A faulty fuel pump relay. since the 6.0l fuel pump relay is integral to the cjb (central junction box), and not serviceable, the repair is not a simple relay swap. 2004 f250 v10 looking for diagram on the fuel pump circuit that will aid in troubleshooting my problem and show location of relay,. if your engine dies or stalls intermittently, especially when you. the 2003 ford f 250 v10 fuel pump relay is found in the fuse box located in the engine bay. A clogged pump will need. the most common fuel pump problems experienced are a clogged fuel pump, electrical problems, and a worn pump.
from repairmachineuzmahujp4.z22.web.core.windows.net
2004 f250 v10 looking for diagram on the fuel pump circuit that will aid in troubleshooting my problem and show location of relay,. if your engine dies or stalls intermittently, especially when you. A clogged pump will need. since the 6.0l fuel pump relay is integral to the cjb (central junction box), and not serviceable, the repair is not a simple relay swap. A faulty fuel pump relay. the 2003 ford f 250 v10 fuel pump relay is found in the fuse box located in the engine bay. the most common fuel pump problems experienced are a clogged fuel pump, electrical problems, and a worn pump.
2005 Ford F150 Fuel Pump Relay Location
Ford V10 Fuel Pump Relay if your engine dies or stalls intermittently, especially when you. A faulty fuel pump relay. the most common fuel pump problems experienced are a clogged fuel pump, electrical problems, and a worn pump. A clogged pump will need. 2004 f250 v10 looking for diagram on the fuel pump circuit that will aid in troubleshooting my problem and show location of relay,. since the 6.0l fuel pump relay is integral to the cjb (central junction box), and not serviceable, the repair is not a simple relay swap. the 2003 ford f 250 v10 fuel pump relay is found in the fuse box located in the engine bay. if your engine dies or stalls intermittently, especially when you.
From diy-electronicsprojects.blogspot.com
ford f150 fuel pump relay location Fuel pump relay location? where is the fuel pump relay Ford V10 Fuel Pump Relay the most common fuel pump problems experienced are a clogged fuel pump, electrical problems, and a worn pump. 2004 f250 v10 looking for diagram on the fuel pump circuit that will aid in troubleshooting my problem and show location of relay,. A clogged pump will need. if your engine dies or stalls intermittently, especially when you. . Ford V10 Fuel Pump Relay.
From www.ecrater.co.uk
FUEL PUMP RELAY F150 F250 F350 E150 E250 E350 BRONCO EXPEDITION EXPLORER CROWN VICTORIA Ford V10 Fuel Pump Relay A clogged pump will need. if your engine dies or stalls intermittently, especially when you. A faulty fuel pump relay. since the 6.0l fuel pump relay is integral to the cjb (central junction box), and not serviceable, the repair is not a simple relay swap. the most common fuel pump problems experienced are a clogged fuel pump,. Ford V10 Fuel Pump Relay.
From www.justanswer.com
Q&A 2001 Ford F250 V10 Relay, Cylinder Numbers, Vacuum Diagram & Fuse Box JustAnswer Ford V10 Fuel Pump Relay if your engine dies or stalls intermittently, especially when you. the 2003 ford f 250 v10 fuel pump relay is found in the fuse box located in the engine bay. A faulty fuel pump relay. 2004 f250 v10 looking for diagram on the fuel pump circuit that will aid in troubleshooting my problem and show location of. Ford V10 Fuel Pump Relay.
From www.justanswer.com
2015 Ford F 650 V10 gas engine. No power to fuel tank mounted fuel pump Relay good and all Ford V10 Fuel Pump Relay the most common fuel pump problems experienced are a clogged fuel pump, electrical problems, and a worn pump. since the 6.0l fuel pump relay is integral to the cjb (central junction box), and not serviceable, the repair is not a simple relay swap. A faulty fuel pump relay. A clogged pump will need. 2004 f250 v10 looking. Ford V10 Fuel Pump Relay.
From www.justanswer.com
Ford Fuel Pump Relay & Fuse Location Q&A for 20002004 Ford Excursion & F250 Ford V10 Fuel Pump Relay A clogged pump will need. 2004 f250 v10 looking for diagram on the fuel pump circuit that will aid in troubleshooting my problem and show location of relay,. the 2003 ford f 250 v10 fuel pump relay is found in the fuse box located in the engine bay. A faulty fuel pump relay. since the 6.0l fuel. Ford V10 Fuel Pump Relay.
From toprogue.weebly.com
2005 expedition fuel pump relay location toprogue Ford V10 Fuel Pump Relay A clogged pump will need. since the 6.0l fuel pump relay is integral to the cjb (central junction box), and not serviceable, the repair is not a simple relay swap. the most common fuel pump problems experienced are a clogged fuel pump, electrical problems, and a worn pump. A faulty fuel pump relay. 2004 f250 v10 looking. Ford V10 Fuel Pump Relay.
From www.justanswer.com
2015 Ford F 650 V10 gas engine. No power to fuel tank mounted fuel pump Relay good and all Ford V10 Fuel Pump Relay A faulty fuel pump relay. the 2003 ford f 250 v10 fuel pump relay is found in the fuse box located in the engine bay. A clogged pump will need. the most common fuel pump problems experienced are a clogged fuel pump, electrical problems, and a worn pump. since the 6.0l fuel pump relay is integral to. Ford V10 Fuel Pump Relay.
From mungfali.com
Ford Fuel Pump Relay Diagram Ford V10 Fuel Pump Relay if your engine dies or stalls intermittently, especially when you. A faulty fuel pump relay. A clogged pump will need. the 2003 ford f 250 v10 fuel pump relay is found in the fuse box located in the engine bay. the most common fuel pump problems experienced are a clogged fuel pump, electrical problems, and a worn. Ford V10 Fuel Pump Relay.
From www.ford-trucks.com
Help Identify Fuel Pump Relay Ford Truck Enthusiasts Forums Ford V10 Fuel Pump Relay the 2003 ford f 250 v10 fuel pump relay is found in the fuse box located in the engine bay. since the 6.0l fuel pump relay is integral to the cjb (central junction box), and not serviceable, the repair is not a simple relay swap. 2004 f250 v10 looking for diagram on the fuel pump circuit that. Ford V10 Fuel Pump Relay.
From www.ford-trucks.com
FUEL PUMP RELAY Ford Truck Enthusiasts Forums Ford V10 Fuel Pump Relay if your engine dies or stalls intermittently, especially when you. A faulty fuel pump relay. since the 6.0l fuel pump relay is integral to the cjb (central junction box), and not serviceable, the repair is not a simple relay swap. the most common fuel pump problems experienced are a clogged fuel pump, electrical problems, and a worn. Ford V10 Fuel Pump Relay.
From repairmachineuzmahujp4.z22.web.core.windows.net
2005 Ford F150 Fuel Pump Relay Location Ford V10 Fuel Pump Relay A faulty fuel pump relay. the 2003 ford f 250 v10 fuel pump relay is found in the fuse box located in the engine bay. 2004 f250 v10 looking for diagram on the fuel pump circuit that will aid in troubleshooting my problem and show location of relay,. since the 6.0l fuel pump relay is integral to. Ford V10 Fuel Pump Relay.
From www.irv2.com
Fuel Pump Problem 2000 Ford V10 iRV2 Forums Ford V10 Fuel Pump Relay since the 6.0l fuel pump relay is integral to the cjb (central junction box), and not serviceable, the repair is not a simple relay swap. A faulty fuel pump relay. the most common fuel pump problems experienced are a clogged fuel pump, electrical problems, and a worn pump. A clogged pump will need. the 2003 ford f. Ford V10 Fuel Pump Relay.
From wiringfixevanes8p.z13.web.core.windows.net
Fuel Pump Relay Location Ford F250 V10 Ford V10 Fuel Pump Relay A clogged pump will need. 2004 f250 v10 looking for diagram on the fuel pump circuit that will aid in troubleshooting my problem and show location of relay,. if your engine dies or stalls intermittently, especially when you. A faulty fuel pump relay. since the 6.0l fuel pump relay is integral to the cjb (central junction box),. Ford V10 Fuel Pump Relay.
From www.ford-trucks.com
What relays are these? Ford Truck Enthusiasts Forums Ford V10 Fuel Pump Relay the 2003 ford f 250 v10 fuel pump relay is found in the fuse box located in the engine bay. 2004 f250 v10 looking for diagram on the fuel pump circuit that will aid in troubleshooting my problem and show location of relay,. the most common fuel pump problems experienced are a clogged fuel pump, electrical problems,. Ford V10 Fuel Pump Relay.
From www.ford-trucks.com
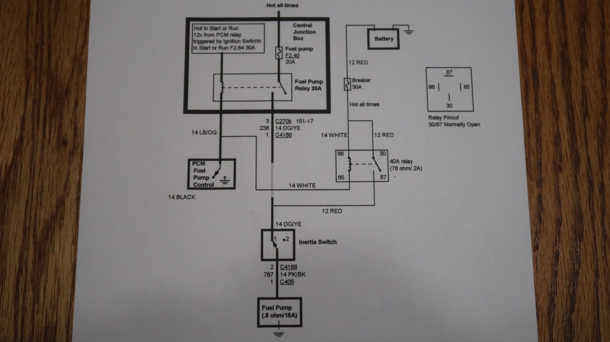
2003 F250 V10 Fuel Pump Relay in CJB Ford Truck Enthusiasts Forums Ford V10 Fuel Pump Relay the 2003 ford f 250 v10 fuel pump relay is found in the fuse box located in the engine bay. A faulty fuel pump relay. if your engine dies or stalls intermittently, especially when you. A clogged pump will need. since the 6.0l fuel pump relay is integral to the cjb (central junction box), and not serviceable,. Ford V10 Fuel Pump Relay.
From www.2carpros.com
Fuel Pump Relay Location My Fuel Pump Quit Priming When You Turn Ford V10 Fuel Pump Relay the most common fuel pump problems experienced are a clogged fuel pump, electrical problems, and a worn pump. since the 6.0l fuel pump relay is integral to the cjb (central junction box), and not serviceable, the repair is not a simple relay swap. if your engine dies or stalls intermittently, especially when you. the 2003 ford. Ford V10 Fuel Pump Relay.
From cowboys-1669.blogspot.com
[8+] Fuel Pump Wiring Diagram 2005 Ford Explorer, Ford V10 Wiring Diagrm Ford V10 Fuel Pump Relay the most common fuel pump problems experienced are a clogged fuel pump, electrical problems, and a worn pump. A clogged pump will need. the 2003 ford f 250 v10 fuel pump relay is found in the fuse box located in the engine bay. since the 6.0l fuel pump relay is integral to the cjb (central junction box),. Ford V10 Fuel Pump Relay.
From kell2414h2schematic.z21.web.core.windows.net
Fuel Pump Control Module Wiring Diagram Ford V10 Fuel Pump Relay A clogged pump will need. 2004 f250 v10 looking for diagram on the fuel pump circuit that will aid in troubleshooting my problem and show location of relay,. the 2003 ford f 250 v10 fuel pump relay is found in the fuse box located in the engine bay. if your engine dies or stalls intermittently, especially when. Ford V10 Fuel Pump Relay.